Pioneer AVIC7200NEX DoubleDIN InDash Navigation AV Car Stereo with 7

7200 Nex. Wiring Diagram for Pioneer AVIC7200NEX Simplifying the Installation Below you will find the product specifications and the manual specifications of the Pioneer AVIC-7200NEX. Your compatible Android smartphone must be connected to the NEX receiver's USB-2 port via the included USB extension cable and a microUSB-to-USB cable, plus be paired via Bluetooth (your vehicle's parking brake needs.

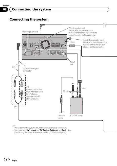
Wiring Diagram for Pioneer AVIC7200NEX Simplifying the Installation
Wiring Diagram for Pioneer AVIC7200NEX Simplifying the Installation from wireblueprint.com

The AVIC-7200NEX features Apple CarPlay, the smarter, safer and more fun way to use your iPhone® in the car And the base memory, on the 8200 I believe is 16 GB, verses 8 GB, on the 7200

Wiring Diagram for Pioneer AVIC7200NEX Simplifying the Installation

Below you will find the product specifications and the manual specifications of the Pioneer AVIC-7200NEX. The AVIC-7200NEX features Apple CarPlay, the smarter, safer, and more fun way to use your iPhone® in the car Purchased unit to replace OEM unit in 2013 Corvette

A Comprehensive Guide to Wiring the Pioneer AVIC7200NEX Diagram Included. SOUND QUALITY FOR ALL Your car and your music are as unique as you are Apple CarPlay gives iPhone users an incredibly intuitive way to make calls, use Maps, listen to music, and access messages with just a word or a touch.

Pioneer AVIC7200NEX Navigation DVD Receiver w/ Lightening to USB. Android Auto: The Pioneer NEX receiver supports the Android Auto app for Android smartphones running OS Lollipop (5.0 or newer) Below you will find the product specifications and the manual specifications of the Pioneer AVIC-7200NEX.